DMLD series of analog broadband direct-tuning DFB laser uses DFB laser components made with InGaAs / InP , integrates laser components, optical isolator, TEC, thermistor, monitoring photodiode and broadband DC bias, the use of air tightness 7-pin package, you can achieve broadband analog signal electro-optical conversion, mainly for broadband analog signal transmission, optical fiber time-frequency transmission, phased array radar and fiber delay lines and other fields.
Features:
- Wavelength options::1310nm、1550nm、DWDM
- Bandwidth options::6/10/18GHz
- Output power options:8/10mW
- The RF port is a K connector
- Excellent RF flatness
- Wide dynamic range
- Entire transparent work
- No built-in drive RF amplifier
- Operating temperature options:-40~70℃、-55~70℃
Applications:
- Remote antenna
- Long -distance analog optical fiber communication
- Military three wave communication
- Tracking telemetry and control
- Delay lines
- Phased array
Performance Parameters
|
Parameter |
Symbol |
Test condition |
Min |
Typ |
Max |
Unit |
|
Threshold current |
Ith |
CW |
- |
- |
25 |
mA |
|
Operating current |
Iop |
CW |
- |
- |
100 |
mA |
|
Input impedance |
Zin |
IF=Iop |
- |
50 |
- |
Ω |
|
Thermistor |
RT |
@+25℃ |
9.5 |
10 |
10.5 |
kΩ |
|
Thermistor temperature coefficient |
|
@+25℃ |
- |
-4.4 |
- |
%/℃ |
|
Central wavelength |
lc |
CW, IF=Iop |
- |
1310 /1550 ITU-T |
- |
nm |
|
Output optical power |
PF |
CW, IF=Iop, |
|
10 |
|
mW |
|
SMSR |
SMSR |
CW, IF=Iop |
35 |
- |
- |
dB |
|
Relative noise intensity |
RIN |
100MHz-3GHz |
|
-150 |
|
dB/Hz |
|
Monitor current |
Im |
- |
10 |
- |
200 |
uA/mW |
|
Optical isolation |
|
- |
30 |
|
|
dB |
|
Bandwidth |
S21 |
DMLD-15 -06 -10 -18 |
6 10 18 |
- |
- |
GHz |
|
Return wave consumption |
S11 |
|
8 |
|
|
dB |
|
Input 1dBpower compression point |
P1dB |
|
15 |
|
|
dBm |
Limit Parameters
|
Parameter |
Symbol |
Rated value |
Unit |
Test condition |
|
Laser reserve voltage |
Vrl |
2.0 |
V |
- |
|
Diode reserve voltage |
Vrd |
20 |
V |
- |
|
Storage temperature |
Ts |
-55~+85 |
℃ |
- |
|
Operating temperature |
To |
-40~+70 |
℃ |
- |
|
To |
-55~+70 |
℃ |
|
|
|
TEC current |
Ic |
1.7 |
A |
-- |
|
Max RF input power |
Pin |
20 |
dBm |
-- |
Schmatics
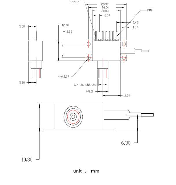
Dimensions(mm)
Pin Definitions
|
Pin description |
|
|
Pin |
function |
|
1 |
thermistor |
|
2 |
thermistor |
|
3 |
DC Laser Bias (-) |
|
4 |
MPD anode |
|
5 |
MPD cathode |
|
6 |
TEC (+) |
|
7 |
TEC (-) |
How To Order
|
DMLD |
XX |
XX |
X |
X |
X |
|
Direct modulation laser |
Operating wavelength : 13-1310nm 15-1550nm XX—DWDM channel |
Modulation bandwidth : 06G-06GHz 10G-10GHz 18G-18GHz |
Output optical fiber: SM-single mode optical fiber PM-polarization maintaining fiber |
Output power: 06---6dBm 10---10dBm |
Optical fiber connector: FP ---FC/PC FA ---FC/APC SP---user specified 50K----50KHz |
